تمديد الخلية الضوئية بوساطة مفتاح كهرومغناطيسي (كونتاكتور) للتحكم بعدة مصابيح
اولا - رمز الخلية في الدارة الرمزية والدارة التنفيذية
ثانيا - الهدف من استخدام الخلية الضوئية:
تستخدم الخلية الضوئية في تشغيل الأحمال ليلاً وفصلها نهاراً.أي أن عمل الخلية الضوئية مثل المفتاح المفرد ولكن بتحكم آلي في تشغيل وفصل المفتاح عن طريق الاضاءة نهارا والظلام ليلا. وتستخدم الخلية في إضاءة الشوارع والحدائق والاسوار ليلاً بحيث تعمل بشكل اتوماتيكي وذلك بمجرد حلول الظلام.
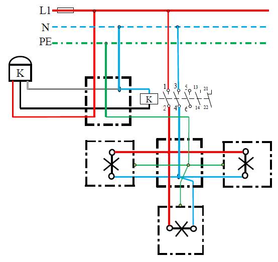
ثالثا: المخطط التفصيلي :
رابعا- شرح المخطط التفصيلي:
خامسا - شرح آلية العمل :
عند حلول الظلام تستشعر الخلية الضوئية ذلك الظلام فتعمل على ايصال التيار الى ملامس المفتاح التلامسي وبالتالي يعمل المفتاح التلامسي فتغلق ملامساته المفتوحة ليتم ايصال التيار الى المصابيح الكهربائية وبالتالي انارتها وعند حلول النهار تستشعر الخلية الضوئية ذلك وبالتالي تفصل الكهرباء عن المفتاح التلامسي وبالتالي عن المصابيح .خامسا :الهدف من تركيب المفتاح التلامسي:
هو للحفاظ على الخلية الضوئية التي قد لاتتحمل ملامساتها شدة التيار الكهربائي المار بها لتغذية المصابيح الثلاثة حيت ان التيار الذي يسري بها هو تيار ملف المفتاح الكهرومغناطيسي.حصريا لموسوعة الكهرباء والتحكم يسمح النشر بشرط ذكر المصدر


EmoticonEmoticon