دارة انارة ثلاثة مصابيح بوساطة مفتاح مزدوج ومفتاح مفرد مخطط تفصيلي ورمزي
المخطط الرمزي للدارة :
شرح المخطط الرمزي:
حيث يمثل الشكل السابق الدارة الرمزية للدارة والارقام تبين ما يلي :1- وهو يشير الى مصدر التيار من لوحة القواطع الفرعية.
2- وهو يشير الى المصابيح الكهربائية وعددها ثلاثة مصابيح.
3- وهو يشير الى المفتاح المفرد.
4- حيث يشير الى الابريز.
5- وهو يشير الى المفتاح المزدوج.
6- وهي تشير الى علب التجميع (التفريع).
7- والرقم والذي وضع امام الخطوط الصغيرة المائلة تدل على عدد الاسلاك التي تصل الى كل عنصر كهربائي حيث يدل الرقم على عدد (2) اسلاك تصل الى كل مصباح من المصابيح الثلاثة، وسلكين الى المفتاح المفرد . وثلاثة اسلاك الى المفتاح المزودوج وهكذا.
والرسم التفصيلي التالي يبين كيفية توصيل الاسلاك بالتفصيل الى العناصر الكهربائية المختلفة.
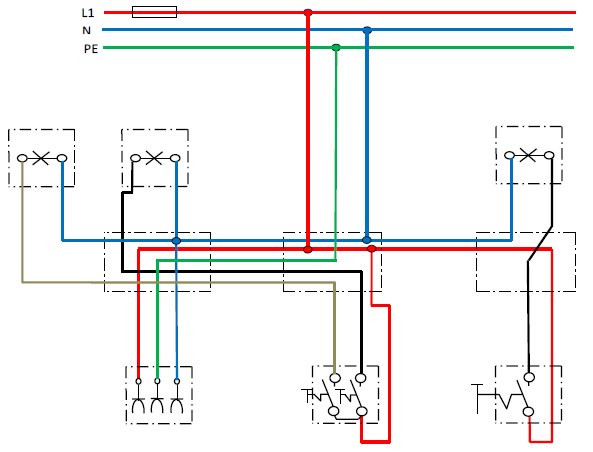
المخطط التفصيلي:
شرح المخطط التفصيلي :
نبدأ من المصدر حيث عدد الاسلاك ثلاثة وهي تمثل الخط الحامي (L1) وهو مزود بمصهر الحماية الظاهر على شكل مستطيل والخط البارد او المحايد (N) وهو بلون الازرق (او اسود) اما خط الحماية الارضية (PE) فهو باللون الاخضر ونلاحظ ان الخط الحامي تم توصيله الى المفتاح المفرد والى المفتاح المزدوج على البرغي المشترك والمفتاح المزدوج هوعبارة عن (مفتاحين مفرديين) كما تم توصيل الخط الحامي الى الابريز (ويتم توصيلة على المكان المخطط له وغالبا ما يكتب عليه L1) اما الخط البارد فتم توصيله الى المصابيح ولا يجوز توصيله الى المفاتيح في حالة التوصيل الداخلي (داخل المنزل) وذلك من اجل اجراء الصيانة للمصابيح واستبدالها كما تم توصيل الخط البارد الى الابريز ويوصل على البرغي المخصص له ويكتب عليه ايضا (N) . كما تم توصيل الخط الارضي (PE) الى الابريز فقط وعلى البرغي المخصص له.
شرح الية عمل الدارة :
- يلاحظ من المفتاح الفرد ان الدارة تغلق (تكمل) عند الضغط على المفتاح بحيث يصل الخط الحامي الى المصباح فيضيء المصباح للوصول الخط الحامي ووجود الخط البارد على البرغي الاخر للمصباح.
- اما المفتاح المزدوج فهو عبارة عن مفتاحين مفردين تغلق دارة كل مصباح من المصباحين المتصلين معه عند الضغط على احد المفتاحين كما يضيء كلا المصباحين عند الضغط على كلا المفتاحين .
- اما الابريز فان التيار يسري فيه عند توصيل حمل خارجي مثل تلفاز او حاسب آلي او اي حمل اخر.


EmoticonEmoticon